电源模块公司现货供应AC-DC电源模块产品,有3W、5W、7W、12W、24W、36W等。一直以来求质量,价格,诚信希望各企业单位来函来电洽谈。
产品应用:
广泛应用于工业电气设备、机械设备、自动化设备、手持电子设备、无线网络、通信、仪器仪表、智能化等多个领域。
产品特性:
1、全球通用范围交流或直流输入
2、效率高、高功率密度
3、稳压输出、低纹波噪声
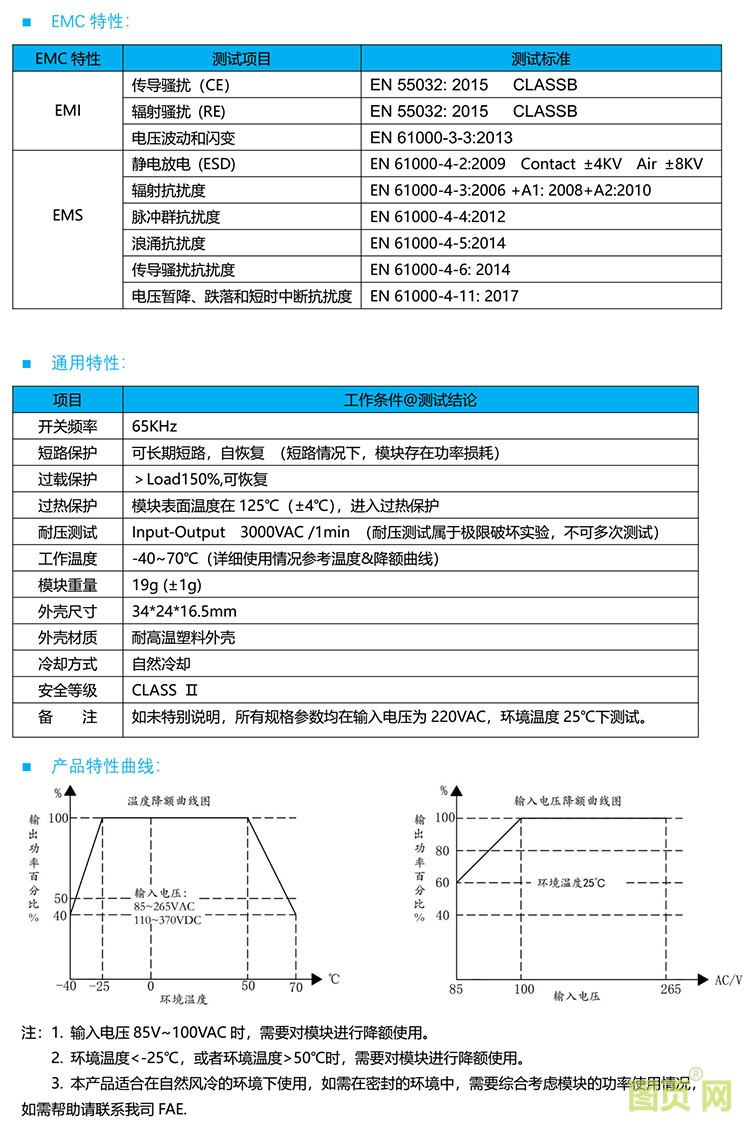
4、体积小: 34*24*16.5mm
5、保护种类:过载保护/短路保护/过热保护
6、内置 EMC 电路 符合 EN55032 Class B
7、Class Ⅱ 隔离级别(安规)
8、待机低功耗,绿色环保
9、PCB 焊接方式
10、塑料外壳,自然冷却
11、三年质保









