欢迎来到图页网
买家中心
留言信件
我的订单
我的收藏
卖家中心
商品管理
订单管理
店铺管理
会员服务
联系我们
登录
免费注册
0755-23444729
会员
企业图页
工商查询
求购
商铺
资讯图条
产品供应
招商
专题
视频
下载
发布产品
扫码关注
图页网
微信扫码关注
广州高雅信息科技有限公司
电源模块,AC-DC电源模块,开关电源模块
网站首页
公司介绍
供应产品
新闻中心
荣誉资质
人才招聘
招商代理
产品分类
全部分类
380V宽输入电源模块
正负输出电源模块
双路电源模块
36W电源模块
24W电源模块
12W电源模块
7W电源模块
5W电源模块
3W电源模块
站内搜索
供应产品
新闻中心
荣誉资质
人才招聘
招商代理
首页
>
供应产品
>
5W系列AC-DC电源模块24v高性能小体积
5W系列AC-DC电源模块24v高性能小体积
浏览:
869
品牌:
HIECUBE/高能立方
尺寸:
37*25*20mm
隔离耐压:
3000VAC
质保年限:
3年
单价:
16.00元/个
最小起订量:
1 个
供货总量:
1366 个
发货期限:
自买家付款之日起
3
天内发货
有效期至:
长期有效
最后更新:
2020-09-21 08:47
详细信息
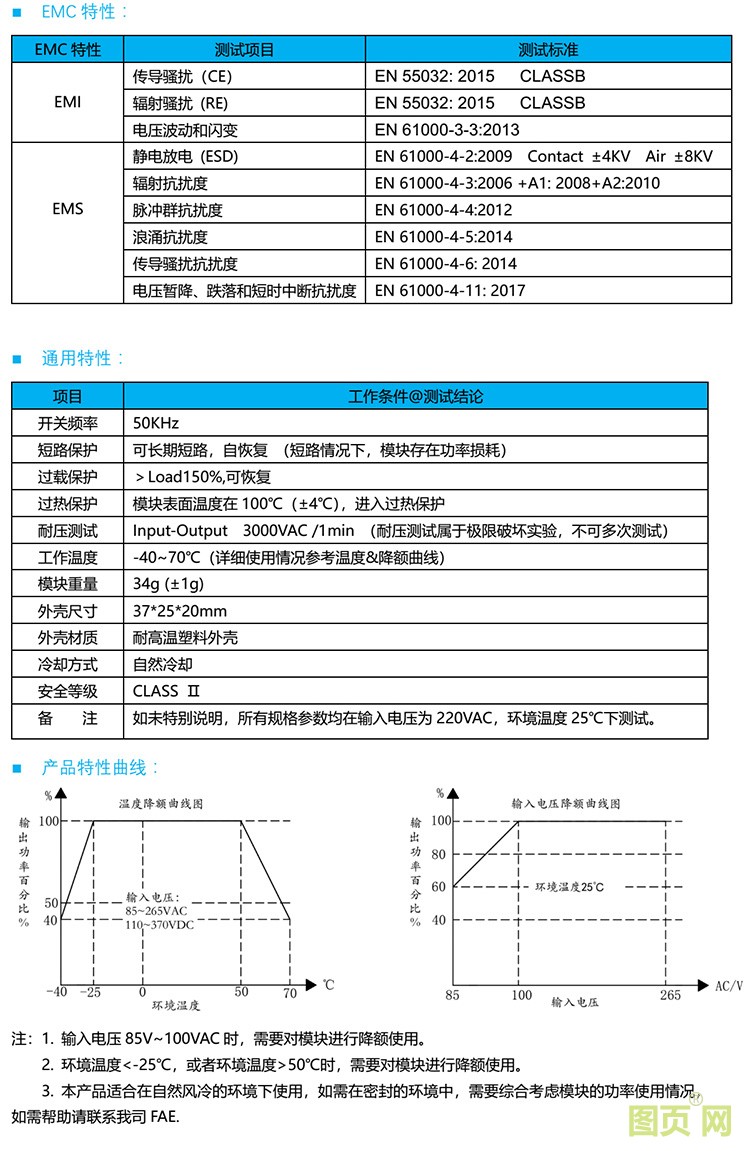
小体积5W系列AC-DC电源模块,宽电压输入范围,自恢复输入短路保护,高可靠性,高效率,内置EMC电路,输出电压精度高。
询价单
管理入口
|
返回顶部
©2026 广州高雅信息科技有限公司 版权所有 技术支持:
图页网
访问量:11844
电话咨询
咨询电话:
020****9513
在线客服
移动版
回到顶部