品牌:HIECUBE/高能立方
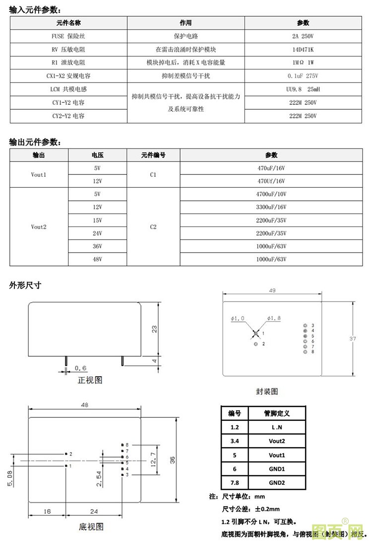
尺寸:48*36*23mm
隔离耐压:3000VAC
质保年限:3年
起订:1个
供应:1388个
发货:3天内
立即购买
高能立方是一家专业从事模块电源、电源模块、AC-DC模块电源的生产厂家,为用户提供专业、稳定的电源一体化解决方案。产品特点:
宽电压范围输入:85~265VAC
交直流两用、体积小
稳压输出、安全隔离
待机低功耗、空载小于0.1W
满足ROHS及CE认证
铝合金外壳,自然冷却
使用寿命长,可靠性高
质保三年
产品应用:
广泛应用于工业、智能化、电力、仪器仪表、通讯等领域。



